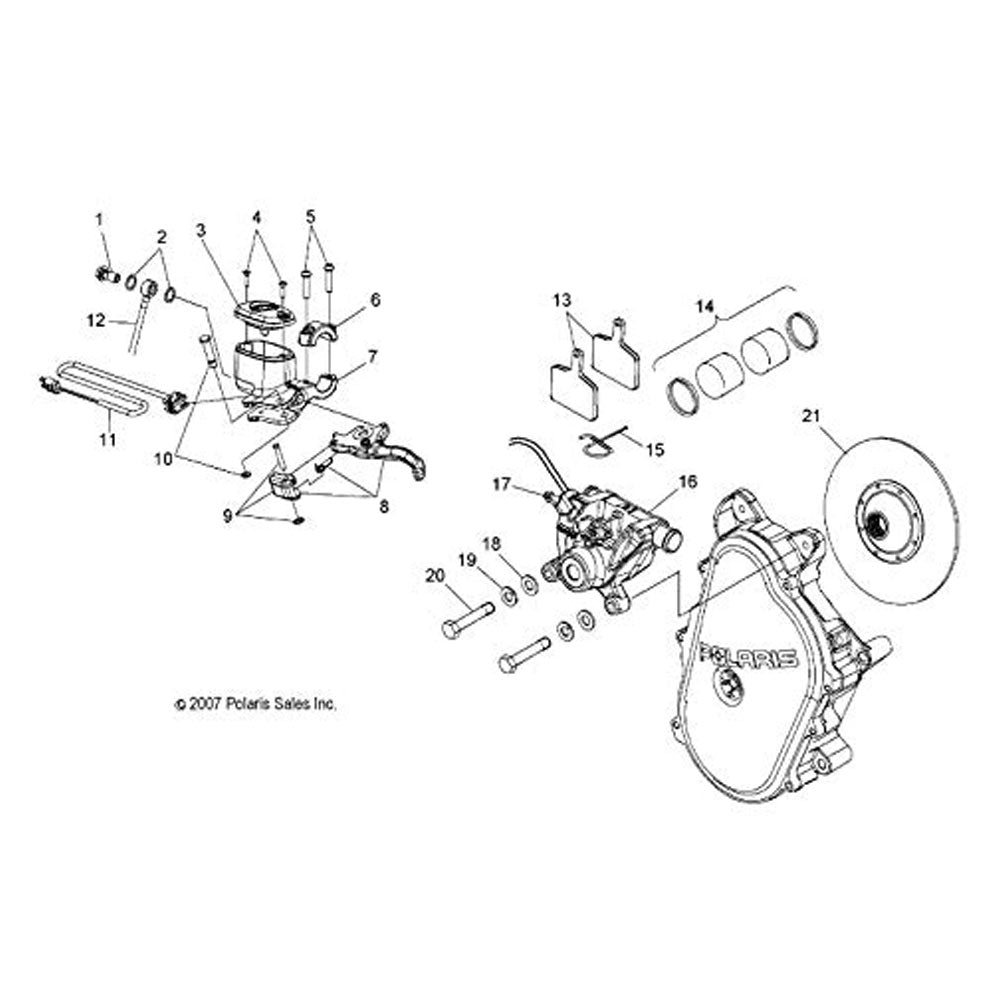
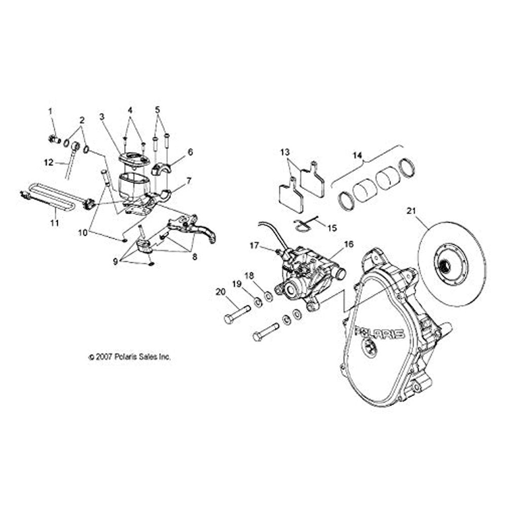
Description
L/C Brake Caliper 2202390
Replaces Previous MPN: 1910574, 1910701, 1910739, 2202199
Polaris 2202390 is Compatible with the following Vehicles:
WideTrak 600 IQ: 2016
Pro XR 800: 2004
Pro XR 440: 2004
Pro X2 800: 2004
Pro X2 700: 2004
Pro X2 600: 2004
Pro X 800: 2003-2004
Pro X 700: 2003-2004
Pro X 600: 2002-2004
Pro X 440: 2002-2003
IQ 600R Racer: 2008-2016
IQ 440: 2005-2007
Dragon IQ 600: 2008
600RR Racer: 2008-2009
600R Racer: 2017

