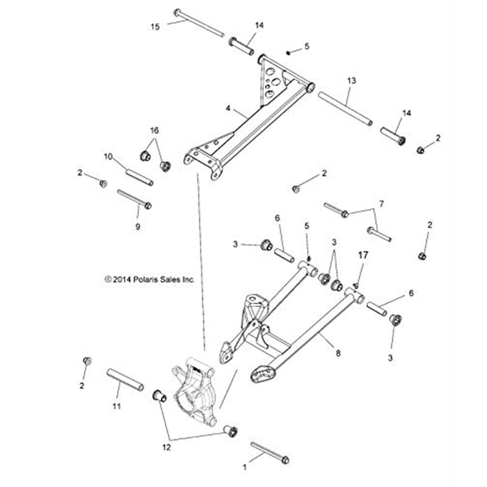
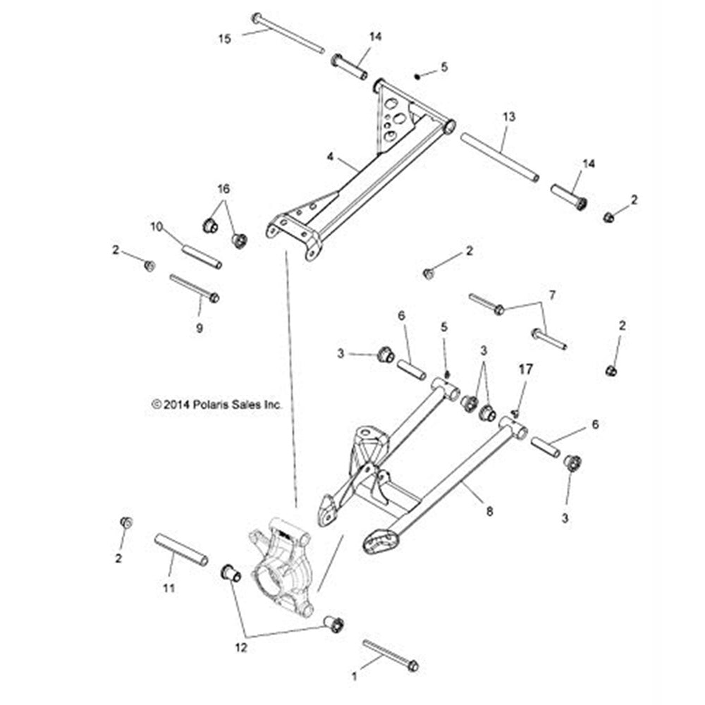
Description
VooDoo Blue Rear Left Lower Control Arm 1019410-619
Polaris 1019410-619 is Compatible with the following Vehicles:
Sportsman XP 1000 Limited: 2015
Sportsman XP 1000: 2015
Scrambler XP 850 HO EPS Limited: 2014
Scrambler XP 850 HO EPS: 2014


